DCSK FKM kefe MINI TANK 150
Kód: ID-2064
ÖSSZESZERELÉS
A gépeket összeszerelve, beállítva, kenve szállítjuk, olajokkal együtt!

A GÉP SZÁLLÍTÁSA ÉS ÁTADÁSA
Szállítást tudunk biztosítani.
A kezelői képzés az átadás-átvétel része.

PÓTKÉSZEK
Garantáljuk az eredeti alkatrészek szállítását a gép élettartamára (min. 15 év)!
Közvetlenül az Ön telephelyén biztosítunk mobilgaranciát és jótállás utáni szolgáltatást.
Termék részletes leírása
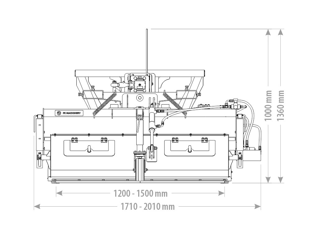
DCSK FKM kefe MINI TANK 150
- terepkövetés - lebegő mod
- munkaszélesség 150 cm
- teljes szélesség 201 cm
- súlya 375 kg
- 3 támasztókerék - átmérő 200mm
- standard markolat raklapvillákhoz - bármilyen markolat választható
- munkaszög beállítása
- fokozatmentesen állítható kefemagasság
- drót - polipropilén kefe
- gyűjtőtartály (mechanikus vagy hidraulikus vezérlés)
- a tartályban lévő ellenőrzőnyílások
Kiegészítő paraméterek
| Kategória: | Kefék - kiegészítőként |
|---|---|
| Súly: | 375 kg |
| Munkaszélesség: | 150cm |
Termékértékelés
Legyen az első, aki véleményt ír ehhez a tételhez!
-2.png)
